| Estado de Disponibilidad: | |
|---|---|
| Cantidad: | |
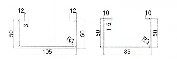
YX50-85/YX50-105
BMS

| No. | Parámetros principales | Parámetros del molino perfilador | ||
| 1. | Espesor del material | 1,5-3,0 mm | Estaciones de formación | 14 pasos |
| 2. | Ancho de alimentación | Según el dibujo | Marco del cuerpo | H400 |
| 3. | Material de aplicación | Chapa galvanizada | Espesor de la pared lateral | 25mm |
| 4. | Estándar eléctrico | 380V50Hz/3F | Eje Diámetro | 45# acero,80φ/φ65mm |
| 5. | Diámetro del desenrollador manual | 508±30 milímetros | Potencia del motor principal | 18,5 kilovatios |
| 6. | Fuerza de producción | G550Mpa | Pernos de tornillo | Grado 8.8 |
| 7. | Velocidad de formación | 25 m/min | Ancho efectivo | Como diseño del cliente |
| 8. | Sistema de control | Sistema de control PLC | Rodillo | Acero Cr12, tornos CNC, tratamiento térmico, revestimiento de cromo duro. |
| 9. | Motor hidráulico | 7,5 KW | Color de la máquina | Azul+Negro+Naranja |
Flujo de trabajo
Desenrollador hidráulico (5 toneladas) → Guía de alimentación/Dispositivo de nivelación/perforación →Precortador hidráulico→ Molino perfilador principal → Cortador de postes hidráulico → Sistema de control PLC →Rejilla de salida (3M*2)
Pantalla de componentes de la máquina
Dispositivo de nivelación
Publicar para cortar, detener para cortar, diseño de cuchilla de corte de dos piezas, sin corte
Motor hidráulico:7,5 KW ;Presión de corte: 0-16Mpa;
Material de la herramienta de corte: Cr12Mov(= SKD11 con al menos un millón de veces de vida útil), tratamiento térmico a HRC58-62 grados
Con guía de alimentación de material, bastidor de H400tipo acero mediante soldadura
Ejes fabricados de acero 45#, Tratamiento térmico de enfriamiento y revenido, cromado duro.
Diámetro=φ80/φ65mm, mecanizado con precisión
Gabinete de control PLC
Post-cortador
Productos producidos a máquina


| No. | Parámetros principales | Parámetros del molino perfilador | ||
| 1. | Espesor del material | 1,5-3,0 mm | Estaciones de formación | 14 pasos |
| 2. | Ancho de alimentación | Según el dibujo | Marco del cuerpo | H400 |
| 3. | Material de aplicación | Chapa galvanizada | Espesor de la pared lateral | 25mm |
| 4. | Estándar eléctrico | 380V50Hz/3F | Eje Diámetro | 45# acero,80φ/φ65mm |
| 5. | Diámetro del desenrollador manual | 508±30 milímetros | Potencia del motor principal | 18,5 kilovatios |
| 6. | Fuerza de producción | G550Mpa | Pernos de tornillo | Grado 8.8 |
| 7. | Velocidad de formación | 25 m/min | Ancho efectivo | Como diseño del cliente |
| 8. | Sistema de control | Sistema de control PLC | Rodillo | Acero Cr12, tornos CNC, tratamiento térmico, revestimiento de cromo duro. |
| 9. | Motor hidráulico | 7,5 KW | Color de la máquina | Azul+Negro+Naranja |
Flujo de trabajo
Desenrollador hidráulico (5 toneladas) → Guía de alimentación/Dispositivo de nivelación/perforación →Precortador hidráulico→ Molino perfilador principal → Cortador de postes hidráulico → Sistema de control PLC →Rejilla de salida (3M*2)
Pantalla de componentes de la máquina
Dispositivo de nivelación
Publicar para cortar, detener para cortar, diseño de cuchilla de corte de dos piezas, sin corte
Motor hidráulico:7,5 KW ;Presión de corte: 0-16Mpa;
Material de la herramienta de corte: Cr12Mov(= SKD11 con al menos un millón de veces de vida útil), tratamiento térmico a HRC58-62 grados
Con guía de alimentación de material, bastidor de H400tipo acero mediante soldadura
Ejes fabricados de acero 45#, Tratamiento térmico de enfriamiento y revenido, cromado duro.
Diámetro=φ80/φ65mm, mecanizado con precisión
Gabinete de control PLC
Post-cortador
Productos producidos a máquina


Máquina formadora de rollos de puerta de persiana Producto terminado
Caso de aplicación (1)
Caso de aplicación (2)

Máquina formadora de rollos de puerta de persiana Producto terminado
Caso de aplicación (1)
Caso de aplicación (2)