| Estado de Disponibilidad: | |
|---|---|
| Cantidad: | |
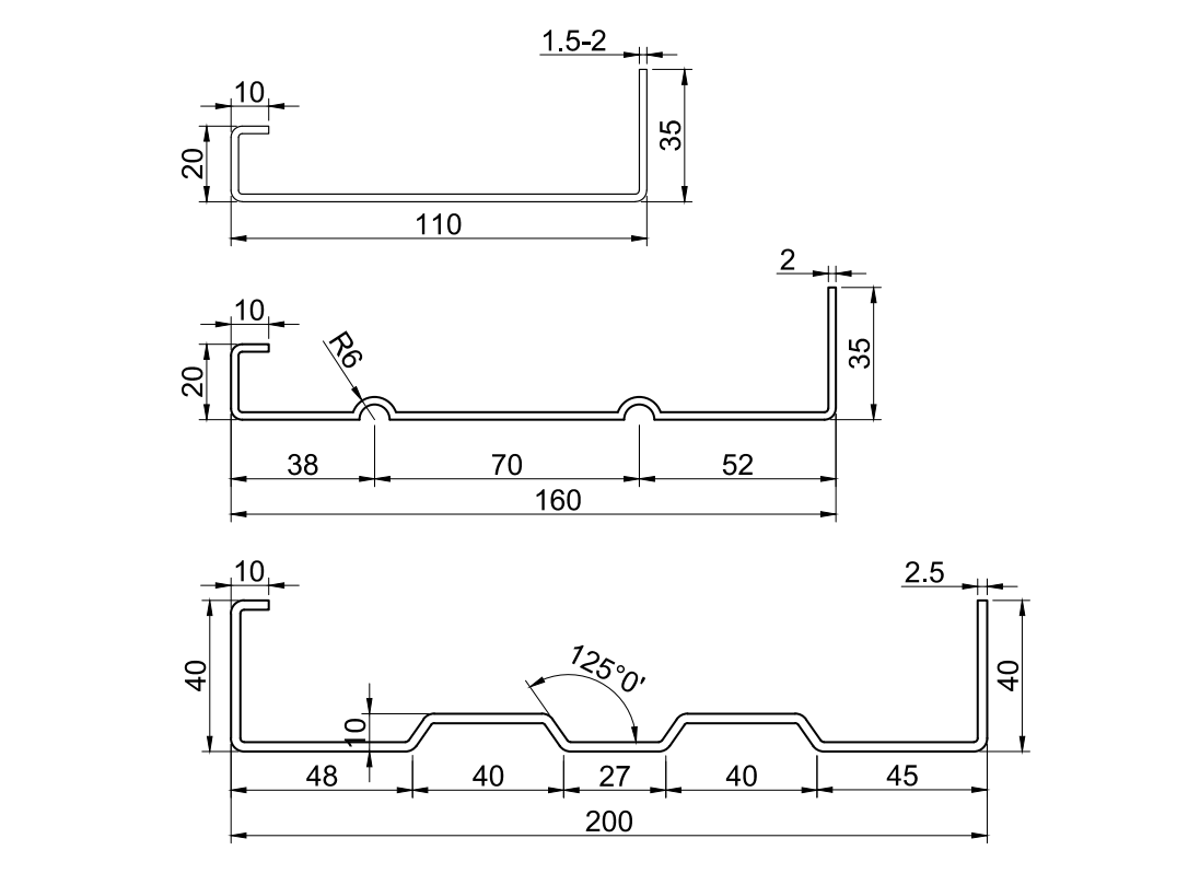
YX20,35,40-110,160,200
BMS
8455221000
Perfil
| Material | Material aplicable | Hoja laminada en frío |
Espesor del material | 1,2 mm/1,5 mm/2,0 mm/2,5 mm | |
Con límite elástico | 310-440Mpa | |
| Bobina | Ancho de alimentación | 600 mm |
Rango de ID de bobina | 508 mm ± 30 mm | |
Capacidad | Máx.5 toneladas. | |
Máquina | Bastidor de base | Acero tipo H450 mediante soldadura. |
| Grosor de la pared lateral | Q235 t25mm | |
Material del rodillo | Acero GCr15 (= acero EN31), mecanizado con precisión, tratamiento térmico, HRC58-62 | |
Estación de rodillos | 18 pasos para formar | |
Diámetro del eje | ф80mm, procesamiento de alta frecuencia | |
Cortador | Dureza | Tratamiento térmico a HRC58-62 grados. |
Tolerancia de corte | ≤±1mm | |
| Fuerza | Manera de conducir | Transmisión de engranajes/piñones |
| Motor principal | 18,5 KW, control de velocidad de frecuencia | |
| Motor de bomba para cortadora | 5,5 KW | |
Sistema de control PLC | Inversor | Schneider Electric/DELTA (marca de Taiwán) |
Pantalla táctil | WEINVIEW (marca de Taiwán) | |
Codificador | KOYO (marca japonesa) u OMRON (marca japonesa) | |
Control del voltaje | 24V |
1. Una máquina para perfiles múltiples: cualquier tamaño dentro del alma de 60-200 mm y brida de 20-40 mm), ahorrando inversión y espacio;Diseño de cambio de tamaño automático para una alta eficiencia de trabajo.
2. El rodillo se templa después de un mecanizado fino con acero para rodamientos GCr15. (=acero EN31) y cromado duro para una larga vida útil de más de 10 años.
3. Molino perfilador principal (cambio automático de tamaño)
Desenrollador hidráulico 5T→Dispositivo de nivelación→Dispositivo de guía de servomotor→Pegador
Sistema de perfilado → Dispositivo de corte posterior hidráulico → Estante de salida
Técnico especificaciónns
1) 5T Desenrollador hidráulico: un juego
Contracción y parada del diámetro interno de la bobina de acero del control hidráulico
Ancho máximo de alimentación: 600 mm
Rango de ID de bobina:508±30mm,Diámetro exterior:1500 mm
Motor de bomba de aceite:2,2 KW
Capacidad:Máximo 5 toneladas
Agregue energía de alimentación automática y dispositivo de parada automática
Arriba Tres abajo cuatro totalmente Siete dispositivo de nivelación de rodillos
Con guía de alimentación de material, estructura de carrocería de H450 tipo acero mediante soldadura
Ejes fabricados de acero 45#, Tratamiento térmico de enfriamiento y revenido, cromado duro.Diámetro=φ90mm, mecanizado con precisión
3) Servoaccionamiento y punzonadora
125 toneladas Punzonadora de ALTA VELOCIDAD antes del perfilado, equipada con un juego de modelo de punzonado. Punzonadora de cuatro lados con cubierta de seguridad y un lado con puerta abierta. Mediante control del sistema PLC.

4) M principaldolor de cabeza
Rodillos fabricados con acero para rodamientos. GCr15(=EN31 acero), mecanizado con precisión, recubierto de cromo duro; con un espesor de 0,04 mm, superficie con tratamiento de espejo (para una vida más larga y antioxidante);
Estructura del cuerpo hecha de 450#H tipo acero mediante soldadura
Velocidad de formación: aproximadamente 20 m/min
5) Hidráulico Cortador de postes
Publicar para cortar, detener el corte, tipo de diseño de hoja de corte de tres piezas
Motor hidraulico:5,5 KW;Presión de corte:0-16Mpa
Material de la herramienta de corte:Cr12MoV(= Acero SKD11),Tratamiento térmico según HRC58-62
Con al menos un millón de veces de vida recortada
La potencia de corte la proporciona la estación hidráulica del motor principal
6) Sistema de control PLC
Controle la cantidad y la longitud de corte automáticamente.
Ingrese los datos de producción (lote de producción, piezas, longitud, etc.) en la pantalla táctil.
Puede finalizar la producción automáticamente.
Combinado con: PLC, inversor, pantalla táctil, codificador, etc.
7) Estante de salida:
Sin alimentación, dos unidades, con rodillos para facilitar el movimiento
8) Presentación del producto
Método de embalaje:El cuerpo principal de la máquina está desnudo y cubierto por una película de plástico (para proteger del polvo y la corrosión),cargado en un contenedor y fijado de manera constante en un contenedor adecuado mediante una cuerda de acero y un candado, adecuado para el transporte a larga distancia.

Servicio postventa
1. El la garantía es 24 meses después de que el cliente reciba la máquina.
Dentro de los 24 meses, enviaremos las piezas de repuesto al cliente de forma gratuita.
2. Ofrecemos soporte técnico durante toda la vida útil de nuestras máquinas.
3. Podemos enviar a nuestros técnicos para instalar y capacitar a los trabajadores en las fábricas de los clientes con costo adicional.

Perfil
| Material | Material aplicable | Hoja laminada en frío |
Espesor del material | 1,2 mm/1,5 mm/2,0 mm/2,5 mm | |
Con límite elástico | 310-440Mpa | |
| Bobina | Ancho de alimentación | 600 mm |
Rango de ID de bobina | 508 mm ± 30 mm | |
Capacidad | Máx.5 toneladas. | |
Máquina | Bastidor de base | Acero tipo H450 mediante soldadura. |
| Grosor de la pared lateral | Q235 t25mm | |
Material del rodillo | Acero GCr15 (= acero EN31), mecanizado con precisión, tratamiento térmico, HRC58-62 | |
Estación de rodillos | 18 pasos para formar | |
Diámetro del eje | ф80mm, procesamiento de alta frecuencia | |
Cortador | Dureza | Tratamiento térmico a HRC58-62 grados. |
Tolerancia de corte | ≤±1mm | |
| Fuerza | Manera de conducir | Transmisión de engranajes/piñones |
| Motor principal | 18,5 KW, control de velocidad de frecuencia | |
| Motor de bomba para cortadora | 5,5 KW | |
Sistema de control PLC | Inversor | Schneider Electric/DELTA (marca de Taiwán) |
Pantalla táctil | WEINVIEW (marca de Taiwán) | |
Codificador | KOYO (marca japonesa) u OMRON (marca japonesa) | |
Control del voltaje | 24V |
1. Una máquina para perfiles múltiples: cualquier tamaño dentro del alma de 60-200 mm y brida de 20-40 mm), ahorrando inversión y espacio;Diseño de cambio de tamaño automático para una alta eficiencia de trabajo.
2. El rodillo se templa después de un mecanizado fino con acero para rodamientos GCr15. (=acero EN31) y cromado duro para una larga vida útil de más de 10 años.
3. Molino perfilador principal (cambio automático de tamaño)
Desenrollador hidráulico 5T→Dispositivo de nivelación→Dispositivo de guía de servomotor→Pegador
Sistema de perfilado → Dispositivo de corte posterior hidráulico → Estante de salida
Técnico especificaciónns
1) 5T Desenrollador hidráulico: un juego
Contracción y parada del diámetro interno de la bobina de acero del control hidráulico
Ancho máximo de alimentación: 600 mm
Rango de ID de bobina:508±30mm,Diámetro exterior:1500 mm
Motor de bomba de aceite:2,2 KW
Capacidad:Máximo 5 toneladas
Agregue energía de alimentación automática y dispositivo de parada automática
Arriba Tres abajo cuatro totalmente Siete dispositivo de nivelación de rodillos
Con guía de alimentación de material, estructura de carrocería de H450 tipo acero mediante soldadura
Ejes fabricados de acero 45#, Tratamiento térmico de enfriamiento y revenido, cromado duro.Diámetro=φ90mm, mecanizado con precisión
3) Servoaccionamiento y punzonadora
125 toneladas Punzonadora de ALTA VELOCIDAD antes del perfilado, equipada con un juego de modelo de punzonado. Punzonadora de cuatro lados con cubierta de seguridad y un lado con puerta abierta. Mediante control del sistema PLC.

4) M principaldolor de cabeza
Rodillos fabricados con acero para rodamientos. GCr15(=EN31 acero), mecanizado con precisión, recubierto de cromo duro; con un espesor de 0,04 mm, superficie con tratamiento de espejo (para una vida más larga y antioxidante);
Estructura del cuerpo hecha de 450#H tipo acero mediante soldadura
Velocidad de formación: aproximadamente 20 m/min
5) Hidráulico Cortador de postes
Publicar para cortar, detener el corte, tipo de diseño de hoja de corte de tres piezas
Motor hidraulico:5,5 KW;Presión de corte:0-16Mpa
Material de la herramienta de corte:Cr12MoV(= Acero SKD11),Tratamiento térmico según HRC58-62
Con al menos un millón de veces de vida recortada
La potencia de corte la proporciona la estación hidráulica del motor principal
6) Sistema de control PLC
Controle la cantidad y la longitud de corte automáticamente.
Ingrese los datos de producción (lote de producción, piezas, longitud, etc.) en la pantalla táctil.
Puede finalizar la producción automáticamente.
Combinado con: PLC, inversor, pantalla táctil, codificador, etc.
7) Estante de salida:
Sin alimentación, dos unidades, con rodillos para facilitar el movimiento
8) Presentación del producto
Método de embalaje:El cuerpo principal de la máquina está desnudo y cubierto por una película de plástico (para proteger del polvo y la corrosión),cargado en un contenedor y fijado de manera constante en un contenedor adecuado mediante una cuerda de acero y un candado, adecuado para el transporte a larga distancia.

Servicio postventa
1. El la garantía es 24 meses después de que el cliente reciba la máquina.
Dentro de los 24 meses, enviaremos las piezas de repuesto al cliente de forma gratuita.
2. Ofrecemos soporte técnico durante toda la vida útil de nuestras máquinas.
3. Podemos enviar a nuestros técnicos para instalar y capacitar a los trabajadores en las fábricas de los clientes con costo adicional.
